扫码咨询
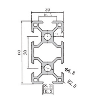
型材:30x 60
材料:铝
单位质量: 1.85kg/m
长度: 6.02m
集合惯性:
lx:19.8cm4 ly: 5.15cm4
截面惯性:
Zx: 6.60cm3 ZY: 3.30cm3
< 上一篇BC-8-3090
下一篇 >BC-8-3030R
微信咨询