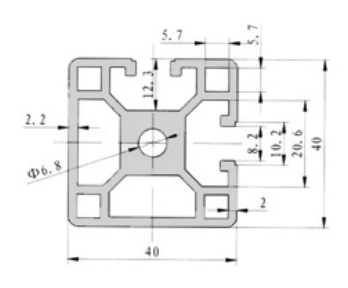
BC-8-4040E
型材: 40x 40E
材料: 铝
单位质量: 2.1kg/m
长度: 6.02m
集合惯性:
lX: 7.3cm4 ly: 7.3cm4
截面惯性:
Zx: 4.25cm3 Zy: 4.25cm3

< 上一篇
BC-8-4040F
下一篇 >
BC-8-4040D
型材: 40x 40E
材料: 铝
单位质量: 2.1kg/m
长度: 6.02m
集合惯性:
lX: 7.3cm4 ly: 7.3cm4
截面惯性:
Zx: 4.25cm3 Zy: 4.25cm3

< 上一篇
BC-8-4040F
下一篇 >
BC-8-4040D