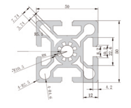
BC-8-5050W
型材: 50x 50
材料: 铝
单位质量: 3.5kg/m
长度: 6.02m
集合惯性:
IX: 112.15cm4 ly: 29.7cm4
截面惯性:
Zx: 24.60cm3 Zy: 12.30cm3

< 上一篇
BC-8-50100
下一篇 >
BC-8-5050A
型材: 50x 50
材料: 铝
单位质量: 3.5kg/m
长度: 6.02m
集合惯性:
IX: 112.15cm4 ly: 29.7cm4
截面惯性:
Zx: 24.60cm3 Zy: 12.30cm3

< 上一篇
BC-8-50100
下一篇 >
BC-8-5050A